Product Summary
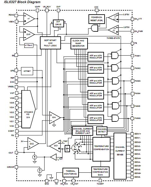
The ISL6327CRZ is an Enhanced 6-Phase PWM Controller with 8-Bit VID Code and Differential Inductor DCR or Resistor Current Sensing. The ISL6327CRZ controls microprocessor core voltage regulation by driving up to 6 synchronous-rectified buck channels in parallel. Multiphase buck converter architecture uses interleaved timing to multiply channel ripple frequency and reduce input and output ripple currents. Lower ripple results in fewer components, lower component cost, reduced power dissipation, and smaller implementation area.
Parametrics
ISL6327CRZ absolute maximum ratings: (1)Supply Voltage, VCC: +6V; (2)All Pins: GND -0.3V to VCC + 0.3V; (3)ESD (Human Body Model): >2kV; (4)ESD (Machine Model): >200V; (5)ESD (Charged Device Model): >1.5kV; (6)Supply Voltage, VCC: +5V ±5%; (7)Ambient Temperature: 0 to +70℃; (8)Ambient Temperature: -40 to +85℃.
Features
ISL6327CRZ features: (1)Proprietary Active Pulse Positioning and Adaptive Phase Alignment Modulation Scheme; (2)Precision Multiphase Core Voltage Regulation; (3)Thermal Monitoring; (4)Integrated Programmable Temperature Compensation; (5)Overcurrent Protection and Channel Current Limit; (6)Overvoltage Protection with OVP Output Indication; (7)2, 3, 4, 5 or 6 Phase Operation; (8)Adjustable Switching Frequency up to 1MHz Per Phase.
Diagrams

| Image | Part No | Mfg | Description | ![]() |
Pricing (USD) |
Quantity | ||||||
|---|---|---|---|---|---|---|---|---|---|---|---|---|
![]() |
![]() ISL6327CRZ |
![]() |
![]() IC REG CTRLR BUCK PWM 48-QFN |
![]() Data Sheet |
![]()
|
|
||||||
![]() |
![]() ISL6327CRZ-T |
![]() |
![]() IC REG CTRLR BUCK PWM 48-QFN |
![]() Data Sheet |
![]()
|
|
||||||
(China (Mainland))









