Product Summary
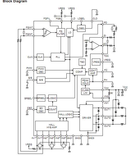
The LB1876 is a driver for polygon mirror motors such as used in laser printers and similar equipment. It incorporates all necessary circuitry (speed control + driver) on a single chip. Direct PWM drive enables drive with low power loss.
Parametrics
LB1876 absolute maximum ratings: (1)Maximum supply voltage VCC max: 30 V; (2)Maximum output current IO: 2.5 A; (3)Pd max1 Independent IC: 0.9 W; (4)Allowable power dissipation, Pd max2: 2.1 W; (5)Operating temperature Topr: -20 to +80℃; (6)Storage temperature Tstg: -55 to +150℃.
Features
LB1876 features: (1)3-phase bipolar drive; (2)Direct PWM drive technique; (3)Built-in lower side output diode; (4)Output current limiter; (5)Reference clock input circuit (FG frequency equivalent); (6)PLL speed control circuit; (7)Phase lock detector output (with masking function); (8)Built-in protection circuitry includes current limiter, restraint protection, overheat protection, low-voltage protection, etc; (9)Brake method switching circuit (free-run or reverse torque) ; (10)5V regulator output; (11)Power save function.
Diagrams

| Image | Part No | Mfg | Description | ![]() |
Pricing (USD) |
Quantity | ||||
|---|---|---|---|---|---|---|---|---|---|---|
![]() |
![]() LB1876 |
![]() Other |
![]() |
![]() Data Sheet |
![]() Negotiable |
|
||||
| Image | Part No | Mfg | Description | ![]() |
Pricing (USD) |
Quantity | ||||
![]() |
![]() LB1801CL |
![]() Other |
![]() |
![]() Data Sheet |
![]() Negotiable |
|
||||
![]() |
![]() LB1810M |
![]() Other |
![]() |
![]() Data Sheet |
![]() Negotiable |
|
||||
![]() |
![]() LB1813M |
![]() Other |
![]() |
![]() Data Sheet |
![]() Negotiable |
|
||||
![]() |
![]() LB1817M |
![]() Other |
![]() |
![]() Data Sheet |
![]() Negotiable |
|
||||
![]() |
![]() LB1817W |
![]() Other |
![]() |
![]() Data Sheet |
![]() Negotiable |
|
||||
![]() |
![]() LB1820 |
![]() Other |
![]() |
![]() Data Sheet |
![]() Negotiable |
|
||||
(China (Mainland))









